
一、手摇螺旋式煤粉取样器产品概述
手摇螺旋式煤粉取样器,主要用于电厂制粉系统中一次风煤粉管道上的煤粉定期取样。入炉煤粉细度是电站燃煤锅炉常规监督项目,它需要采样,以监管锅炉制粉系统的运行工况,对锅炉机组的安全经济运行有着非常重要的意义。由于磨煤机碾磨件的磨损、煤种、块度的变化,煤粉的细度将产生较大的变化,并直接影响锅炉燃烧的效率,因此必须定期对煤粉细度取样检测。当煤粉细度超过设计值时及时调整分离器拆向门开度,或调整及更换磨煤机碾磨件是十分必要的。而且制粉系统现下采用正压直吹式较多,日常煤粉取样困难,因此需要专门的煤粉取样器进行取样。
该类型的煤粉取样器设计采用螺旋输送原理,当煤粉沉落在取样嘴中,利用外部的手柄或电动执行机构旋转螺旋输送器,煤粉将通过取样管送到落粉管进入取样瓶中。
该产品具有手动、电动两种操作方式。手动操作,外部备有手柄,取样时只要操作人员摇动手柄即可取样。电动操作,在外部备有电动执行机构,并备有手动机构,有定时、点操、手动三种功能。具有不堵粉,取样快,密封好等特点。
安装设计合理、方式合适的煤粉取样装置,可方便地实现制粉系统的煤粉等速取样,使得所取粉样具有代表性,且取样操作简单,不会产生煤粉泄漏现象,改善了采样工作环境,减轻劳动强度。
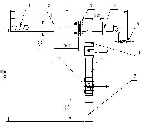
二、手摇螺旋式煤粉取样器结构形式
原理图如下所示:
1、螺旋输送器:插入煤粉管道中,取样嘴背着煤粉气流方向,煤粉沉落在取样嘴中,由螺旋输送器经取样管送入取样瓶中。
2、安装连接管:焊接在煤粉管道上,以便取样管从这里插入煤粉管道中。
3、连接法兰:取样管从连接法兰插入煤粉管道,并与安装连接管连接固定密封。
4、组装密封法兰:用于转动机构的组装和密封。
5、手柄:取样时摇动手柄旋转螺旋输送器,将煤粉输送入取样瓶。
6、阀门:密封和取样时用。
7、取样瓶—取出的煤粉集中存放,供标定之用。
8、煤粉沉落管:煤粉经螺旋输送器、煤样进入该管中。
9、球阀:密封和取样时用。
三、手摇螺旋式煤粉取样器工作原理
螺旋煤粉取样器,是利用煤粉撞击和自然沉落在取样嘴中后,经螺旋输送器输送出煤粉管道并落入取样瓶中的原理设计而成的一种固定式煤粉取样装置。取样嘴固定安装在煤粉管道中,取样嘴背对着煤粉气流运行方向,煤粉在管道中被热风携带着呈不规则的状态运行,经取样嘴的撞击和自行的沉落,使取样嘴中聚集很多煤粉,再由取样管中的螺旋输送器,输送落入煤粉沉落管中,取样结束后,操作阀门将煤粉放落到取样瓶中即可。
四、手摇螺旋式煤粉取样器操作程序
取样前所有阀门为关闭状态,取样时,打开阀门⑥,摇动手柄旋转螺旋输送器,煤粉即通过取样管源源不断的落入煤粉沉落管中,煤粉数量达到要求时,停止摇动手柄,关闭阀门⑥,打开阀门⑨,将沉落管中的煤粉放入取样瓶中,关闭阀门⑨,拧下取样瓶取出煤粉作为化验之用,取样瓶放回原处。
五、手摇螺旋式煤粉取样器主要技术参数
1、型号:LXMF-1型(螺旋式结构)
2、适用范围:正压直吹式制粉系统
3、取样枪:φ20mm平头取样枪;取样孔φ6mm
4、管道内气流速度:15~30m/s
5、压缩空气压力:0.05~0.2Mpa
6、取样时间:不少于150s/每次
7、取样量200g(3-5min)
8、分离效率约99%
9、压缩空气消耗量:0.2m³/min
六、手摇螺旋式煤粉取样器性能特点
1、可实现管道内煤粉多点同时等速取样,方便、快捷,所取的煤粉样代表性好;
2、系统操作简单,取样方便;
3、吹扫系统可使每次取样真实、可靠;避免了取样器堵塞;
4、执行机构灵活、可靠,使煤粉取样简单易行;
5、取样时将采样头转到测量位置,平时置于煤粉气流之外,可保护取样头,提高使用寿命;
6、系统结构简单,免维护。
7、固定安装于煤粉管道上,取样时旋至测量平面,平时取样枪置于煤粉气流之外,磨损小,寿命长;
七、手摇螺旋式煤粉取样器安装事项
手摇式煤粉取样器安装时,根据煤粉管道直径,将安装连接管焊接在煤粉管道上,插入取样管,要保证取样嘴在煤粉管道的距离,并背对着煤粉气流运行方向,将连接法兰连接好并密封即可。
